|
||||||||||||||||
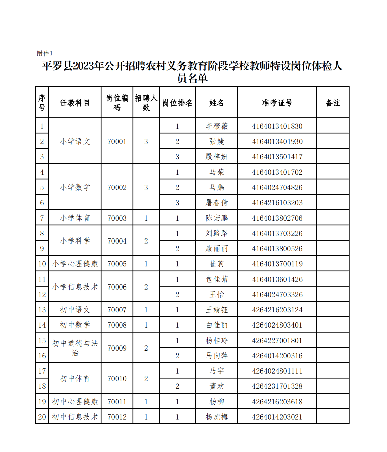
【特岗招考】平罗县2023年公开招聘农村义务教育阶段学校教师特设岗位体检人员名单及体检有关事项公告
根据《宁夏回族自治区2023年公开招聘农村义务教育阶段学校教师特设岗位公告》规定,现将平罗县2023年公开招聘农村义务教育阶段学校教师特设岗位进入体检的20名考生名单及体检有关事项予以公告。应聘者应在规定时间内完成全部体检项目,未按要求完成体检的,视为自动放弃体检资格。
一、体检时间
体检定于2023年7月26日(星期三),早晨8:30分前到达体检地点集合。
二、体检地点
宁夏回族自治区工伤康复鉴定指导中心(原宁夏干部疗养院),地址位于银川市兴庆区富宁街康乐巷5号,联系电话:0951-4106335。
三、相关要求
1.体检须持本人有效身份证、笔试准考证和近期二寸免冠照片两张;
2.体检前两日内,请不要进食高脂肪和油腻的食物;
3.体检前一日应注意休息,勿熬夜、饮酒,避免剧烈运动;
4.体检当日应保持空腹,不要饮水和进食;
5.怀孕或可能已受孕者,请事先告知医护人员,勿进行X光检查;
6.体检费用(微信、支付宝皆可)。男性312元;未婚女性335元;已婚女性354元(收费依据:自治区物价局、卫生厅《关于在银川市(含永宁县)试行医疗服务价格管理改革的通知》(宁价费发〔2013〕7号)规定的医疗服务价格。体检医院为二级甲等医疗单位,执行B类收费标准);
7.请务必关注指定医院周边的交通状况,防止因道路施工、交通堵塞等原因迟到;
8.严格遵守疫情防控要求,请自备医用外科口罩。
联系电话:0952-3816121
附件:平罗县2023年公开招聘农村义务教育阶段学校教师特设岗位体检人员名单
平罗县教育体育局
2023年7月24日

附件下载:
扫一扫在手机上查看当前页面



